Brake Fluid Reservoir
F-5702-01
  • Wear-resistant, high-temperature resistant
  • Simple structure
  • Convenient commissioning
Product Features
Product Specifications
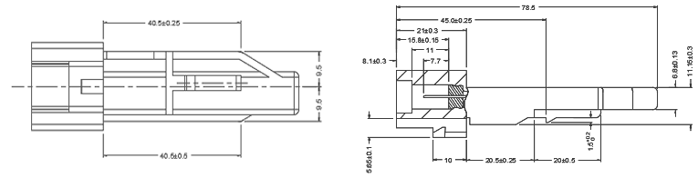
Product Dimensions
Product Features
  • Wear-resistant, high-temperature resistant

  • Simple structure

  • Easy installation: Embedded design, no special tools required

  • Convenient commissioning

    Fast response

Product Specifications

Parameter

Rating

Contact Form

A type (normal open) contact

Sensor Working Distance ON

3.3 – 5.3mm

Sensor Working Distance OFF  

4.1 – 7.8mm

Max. Contact Rating

10W

Max. SwitchingVoltage

DC 100V

Max. Carrying Current

DC 1.0A

Max. Switching Current

DC 0.4A

Initial Contact Resistance 

600 mΩ Max

Insulation Resistance

2×107ΩMin. (DC 500V)

Breakdown Voltage

DC100V,1.0GΩMin

Electrical Life

105 operations Min. (DC 13V, Load R51Ω)

Shock Resistance

38G Max

Mechanical Life

720000 operations Min.(No load)

Connector Pull

≥80N Min.

Operating Temperature

-40℃ ~ +120℃

Operating Humidity

RH 95% Max

Product Dimensions